2001 LSx Miata 2009 6.0L 6spd 8.8 dif
I sure could use some hlep from someone with wiring up my tach and speedo. I have the dash cluster out but not sure of the wire that goes to either of these. And I don't want to cut and pray! Thanks guys.
I have a new(2010)off road harness that has a bulkhead connection and I'll be pulling the signal from there.
I have a new(2010)off road harness that has a bulkhead connection and I'll be pulling the signal from there.
Boss frog passed on hlep and I got no answer from any e-mail I've sent to FM. I thought for sure they would have a good one from their tech support.
I haven't heard of Crazyoldguy yet so I'll try him. I've Googled it every way I can think of but nothing. Somebody with a NB car has the answer.
I haven't heard of Crazyoldguy yet so I'll try him. I've Googled it every way I can think of but nothing. Somebody with a NB car has the answer.
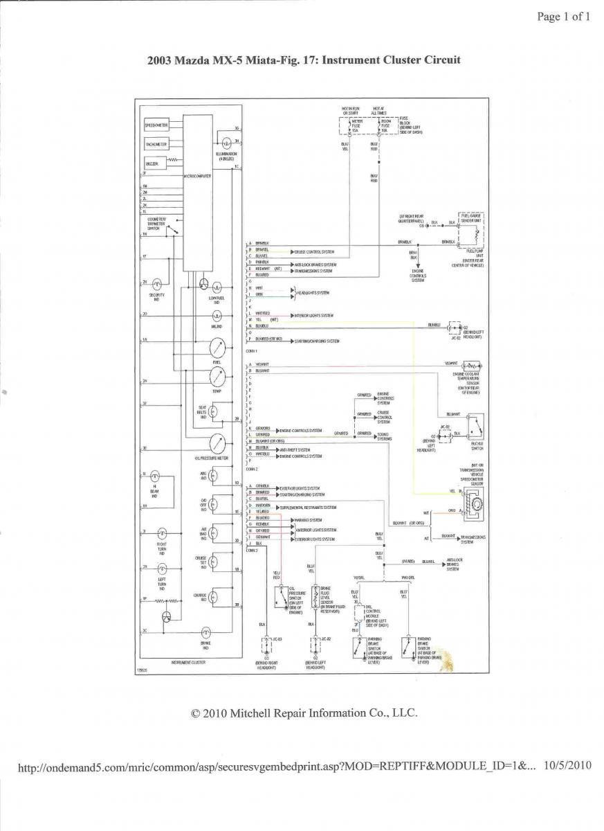
All this time and still obody with an answer to the tach wire setup. I have a bulkhead connector off the stand alone wiring harness from GMPP but nowhere can I find the tach wire from the back of the Miata gauge cluster. The Miata wiring book doesn't even show it. HELP!
I bought the 2001 Miata electrical manual and it also gives no wire color or pin location of the tach wire. So far nothing has worked. I wired the oil pressure, speed o and tach today from the bulkhead harness connector but no luck with any of them. I seems the newest products have the least info on
them.
them.
Carlisle
If you can get the wiring diagram enlarged the colors of the wires are abbreviated IE Black=BLK Orange=Org Green=Grn On my miata the the tach wire coming out of the back of tach is Orange You should have three plugs in the back of the cluster a large white Connector the plug in the center is Black and there should be a smaller white connector on the other side of the black connector On my car the tach wire was Orange and it was attached to the black connector
If you can get the wiring diagram enlarged the colors of the wires are abbreviated IE Black=BLK Orange=Org Green=Grn On my miata the the tach wire coming out of the back of tach is Orange You should have three plugs in the back of the cluster a large white Connector the plug in the center is Black and there should be a smaller white connector on the other side of the black connector On my car the tach wire was Orange and it was attached to the black connector
I bought the 2001 Miata electrical manual and it also gives no wire color or pin location of the tach wire. So far nothing has worked. I wired the oil pressure, speed o and tach today from the bulkhead harness connector but no luck with any of them. I seems the newest products have the least info on
them.
them.
Frank
Still getting nothing on these gauges. I tested the power pin on the bulkhead connector and got my 12V so it is working. when I ran the oil pressure wire to the gauge cluster again nothing. I'm glad the fuel gauge works separately or I would be ableto drive the car at all. I think I can use a new sensor in the PS head and get a signal to the Miata gauge or an aftermarket one. Anybody have any luck using the stock gauges?
Thread
Thread Starter
Forum
Replies
Last Post
1999monster
Cars For Sale
2
Feb 6, 2015 04:26 PM
MNIVPR
V8 Miata Wiring, Electrical, and ECUs
0
Apr 17, 2010 09:20 AM
Currently Active Users Viewing This Thread: 1 (0 members and 1 guests)




